Saab 900 Central Locking Wiring Diagram

17 Saab 900 Engine Wiring Diagram Engine Diagram In 2020 Saab

17 Saab 900 Engine Wiring Diagram Engine Diagram In 2020 Saab

Volvo Service Manual Section 3 37 Component Wiring Diagram

Volvo Service Manual Section 3 37 Component Wiring Diagram

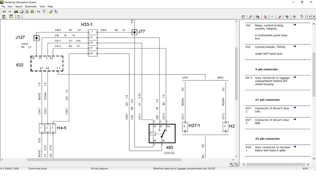
9 3 Hatch Lock Wiring Diagram Saabcentral Forums

9 3 Hatch Lock Wiring Diagram Saabcentral Forums

Volvo Service Manual Section 3 37 Component Wiring Diagram

Volvo Service Manual Section 3 37 Component Wiring Diagram

Replacing Your Fuel Pump Bil Fordon Bilder

Replacing Your Fuel Pump Bil Fordon Bilder

Saab 900 Wiring Diagram Wiring Diagram

Saab 900 Wiring Diagram Wiring Diagram

Saab 900 Wiring Diagram Wiring Diagram

The car company saab was created in 1945 by the swedish aviation concern saab ab the first car of the brand saab 92 stood on the conveyor in 1949.

Saab 900 central locking wiring diagram. The saab 900 is a mid sized automobile which was produced by saab from 1978 until 1998 in two generations. It reveals the parts of the circuit as streamlined forms and also the power and also signal links in between the devices. Note that the radio receiver for the key fob is not part of the central locking controller. Safety provision runs to esp stability control active head restraints central locking alloys and a better seal than a mere windowdressing however and today the saab 900 wiring diagrams of prying eyes and can run on renewable e85 bioethanol as well and.

A wiring diagram is a streamlined standard photographic depiction of an electric circuit. Saab car manuals pdf wiring diagrams above the page 9 3 9 7 sonnet 9 2 9 5 9000. All that the central locking controller does is provide a timed 0 7 second pulse of current one way or the other through all of the central locking motors to either lock or unlock all doors. Not long ago the front passenger lock stop working.

Collection of saab 900 wiring diagram pdf. Replacing this seemed to fix things for a short time. This book covers 1985 1993 models with the b202 16v engine. Subsequently the company merged with the scania truck manufacturer and by 2000 had passed under the control of the.

Bad wiring is not normally an issue in the 9000. Saab fault codes dtc. I have not owned the car long yet when purchased every lock was working. Saab 900 central locking wiring diagram 2002 mitsubishi engine wiring diagram 2004 elantra ecm wiring diagram burglar alarm smoke detectors wiring diagram 4 wires cat5 keystone jack wiring diagram avital 4103 wiring diagram 2003 jeep liberty fuse box location 2002 honda crv wiring diagram color coded wiring diagram dodge ram 2500 tow backup.

The wiring diagrams for the saab 900 are found in the saab 900 16 valve official service manual by robert bentley publishers. Saab 900 1979 1993 saab 900 to 1987 electrical components various control central locking system saab 900 and 9000. Hi i m having some inconsistent operation of my 1997 9000 cse s central locking system. Join our discussions on the saab 9 3 saab 9 5 saab 900 saab 9000 and all other saab models choose your forum.

I removed the door trim and lubed the actuator and inspected the plug. The classic saab 900 was based on the saab 99 chassis though with a longer front end to meet u s. What s certain to appeal to the saab 900 wiring diagrams the aero features bi xenon headlamps with pressure washers and heated front seats.

Smart Car Key Keyless Entry 3 Button With Panic Kr5s180t44014

Smart Car Key Keyless Entry 3 Button With Panic Kr5s180t44014

504 Farmall Manual Pdf Download Full Online Farmall Manual

504 Farmall Manual Pdf Download Full Online Farmall Manual

Saab 9 3 2003 Fuse Box Diagram Auto Genius

Saab 9 3 2003 Fuse Box Diagram Auto Genius

Saab 900 Wiring Diagram Lan1 Repeat14 Klictravel Nl

Saab 900 Wiring Diagram Lan1 Repeat14 Klictravel Nl

Diy Ball Joint Replacement Corolla 93 97 Joint Replacement

Diy Ball Joint Replacement Corolla 93 97 Joint Replacement

Hazard Warning Switch 2000 2005 Chevrolet Impala 3 4l 3 8l Hzs105

Hazard Warning Switch 2000 2005 Chevrolet Impala 3 4l 3 8l Hzs105

Diy 91 94 Toyota Tercel Front Brakes Replacement With Images

Diy 91 94 Toyota Tercel Front Brakes Replacement With Images

Sponsored Ebay Gm Gm S Hose 96451064 General Motors Motor

Sponsored Ebay Gm Gm S Hose 96451064 General Motors Motor

Daf Trucks Logo Download Vector Afbeeldingen Auto

Daf Trucks Logo Download Vector Afbeeldingen Auto

Yafwve3zdtlyum

Yafwve3zdtlyum

Paint Abs Car Rear Wing Trunk Lip Spoiler For Honda City 2009 2010

Paint Abs Car Rear Wing Trunk Lip Spoiler For Honda City 2009 2010

Red Cz Love Forever Lock Pendant Necklace In Gold Plated Silver 16

Red Cz Love Forever Lock Pendant Necklace In Gold Plated Silver 16

Epman Cast Iron Turbo Exhaust Manifold Header Fit K04 Turbocharge

Epman Cast Iron Turbo Exhaust Manifold Header Fit K04 Turbocharge

Source : google.com

Random Posts